Debrancher gicleur arriere 308

Gestion de la mécanique, entretien, problèmes, suggestions, augmentation de la puissance...

Debrancher gicleur arriere 308

Messagede akmer » Sam 15 Fév 14 12:09

Bonjour,

J'ai le même problème depuis 3 ans mon gicleur arrière et lave glace se déclenchent tout seul et tout le temps! (sur un trajet de 10min il peut s'enclencher 15 fois) sans que je ne touche quoi que ce soit et sa vide tout mon lave glace et tout le monde se demande qu'est ce que je fait dans ma voiture :??:

J'ai donc enlever le fusible du l'essuie glace arrière mais le problème c'est que le gicleur gicle toujours, j'ai voulu enlever le fusible de la pompe mais le problème c'est que dans ce cas là je n'ai plus de lave glace pour l'avant (qui est très utile car je fait beaucoup de route).

Vu mes 1er recherche il faudrait changer le comodo mais le changement reviendrai entre 400€ et 600€--->piste oublié car pas les moyens.

J'ai donc cherché une autre solution, et je souhaiterai débrancher que le gicleur arrière mais d'après ce que j'ai vu sur internet (et ne voulant pas démonter pour rien tout le coffre lol), il n'y aurait qu'une prise sur le 3éme feux stop où il y a le gicleur donc par conséquent sa couperai bien le gicleur... mais aussi le feux STOP!

Que puis je faire? avez vous une solution pour réparer mon problème ou une solution pour désactiver ce gicleur arrière

Merci d'avance pour votre aide
akmer
308 Addicted
 
Messages: 34
Inscription: Mar 21 Juin 11 19:59
Peugeot 308: HDi 1,6L 110/112 ch

Debrancher gicleur arriere 308

Publicité

Publicité
 

Re: Debrancher gicleur arriere 308

Messagede Clems13 » Sam 15 Fév 14 12:15

C'est juste un tuyau qui arrive sur le 3eme feux. Tout part d'une seule et meme pompe pour l'avant et l'arrière au niveau du moteur.
Je ne vois pas de moyen de juste supprimer le lave glace arrière sans supprimer l'avant...
308 SW Confort Pack - Blanc Banquise - Clim Auto - Pack Visibilité 1 & 2 - Pack Ambiance - Pack Rangement
Avatar de l’utilisateur
Clems13
308 de Diamant ! :)
 
Messages: 3629
Inscription: Mer 02 Nov 11 20:43
Localisation: Perdu entre la Bresse et le Morvan...
Peugeot 308: HDi 1,6L 90/92 ch

Re: Debrancher gicleur arriere 308

Messagede titou » Sam 15 Fév 14 12:53

Si c'etait la meme pompe pour l'avant et l'arrière, il y aurait le liquide qui sortirait a l'avant mais il ne parle que de l'arrière donc ca doit etre indépendant non ?
" Les voitures de F1 : si vous les trouvez faciles à conduire, c'est que vous n'allez pas assez vite " , Mika Hakkinen.
Avatar de l’utilisateur
titou
308 de Diamant ! :)
 
Messages: 8837
Inscription: Sam 22 Sep 12 18:45
Localisation: ALBI (81)
Peugeot 308: HDi 1,6L 110/112 ch

Re: Debrancher gicleur arriere 308

Messagede Clems13 » Sam 15 Fév 14 13:07

La pompe tourne dans un sens pour l'avant et dans un autre pour l'arrière. Il n'y a que 2 fils qui arrivent dessus.
Même principe que pour les moteurs des rétros rabattables !
308 SW Confort Pack - Blanc Banquise - Clim Auto - Pack Visibilité 1 & 2 - Pack Ambiance - Pack Rangement
Avatar de l’utilisateur
Clems13
308 de Diamant ! :)
 
Messages: 3629
Inscription: Mer 02 Nov 11 20:43
Localisation: Perdu entre la Bresse et le Morvan...
Peugeot 308: HDi 1,6L 90/92 ch

Re: Debrancher gicleur arriere 308

Messagede titou » Sam 15 Fév 14 13:08

Je regarde dans la revue technique, effectivement une seule pompe
" Les voitures de F1 : si vous les trouvez faciles à conduire, c'est que vous n'allez pas assez vite " , Mika Hakkinen.
Avatar de l’utilisateur
titou
308 de Diamant ! :)
 
Messages: 8837
Inscription: Sam 22 Sep 12 18:45
Localisation: ALBI (81)
Peugeot 308: HDi 1,6L 110/112 ch

Re: Debrancher gicleur arriere 308

Messagede akmer » Sam 15 Fév 14 18:40

Par conséquent si je comprend bien je ne peux rien faire ... (dégouté)
N'auriez vous pas une solution à me proposer? ou une piste pour résoudre se problème?
Et merci à vous tous d'avoir déjà pris quelques minutes pour m'aider
akmer
308 Addicted
 
Messages: 34
Inscription: Mar 21 Juin 11 19:59
Peugeot 308: HDi 1,6L 110/112 ch

Re: Debrancher gicleur arriere 308

Messagede dc8 » Sam 15 Fév 14 18:43

7863297c82d158243c17511577cd7dba.jpg
7863297c82d158243c17511577cd7dba.jpg (34.34 Kio) Vu 9172 fois
Clems13 a écrit:La pompe tourne dans un sens pour l'avant et dans un autre pour l'arrière. Il n'y a que 2 fils qui arrivent dessus.
Même principe que pour les moteurs des rétros rabattables !


voici la distribution lave glace une pompe 3 sorties 3 robinets solénoide
dc8
308 de Diamant ! :)
 
Messages: 4272
Inscription: Lun 28 Mar 11 09:21
Localisation: dordogne
Peugeot 308: 1,2L PURETECH 130 ch
    Voir la position géographique du membre

Re: Debrancher gicleur arriere 308

Messagede austinman » Sam 15 Fév 14 18:44

Essayer de trouver un COM2000 d'occasion si c'est bien le commodo qui est incriminé.
308 Féline 2007 - 1.6L 110ch - Gris aluminium - Semi-cuir - Lincancabur DS 18" - RT6 - Radar AR
http://www.forum308.com/viewtopic.php?f=10&t=5779
Avatar de l’utilisateur
austinman
308 de Diamant ! :)
 
Messages: 4334
Inscription: Jeu 18 Avr 13 21:29
Peugeot 308: HDi 1,6L 110/112 ch

Re: Debrancher gicleur arriere 308

Messagede Clems13 » Sam 15 Fév 14 18:50

Je n'ai pas compris ton schema dc8...
Il y a 2 tuyaux de brancher sur la pompe, 2 fils et c'est tout. Il y a un tuyau qui par vers le pare brise et l'autre va à l'arrière.
308 SW Confort Pack - Blanc Banquise - Clim Auto - Pack Visibilité 1 & 2 - Pack Ambiance - Pack Rangement
Avatar de l’utilisateur
Clems13
308 de Diamant ! :)
 
Messages: 3629
Inscription: Mer 02 Nov 11 20:43
Localisation: Perdu entre la Bresse et le Morvan...
Peugeot 308: HDi 1,6L 90/92 ch

Re: Debrancher gicleur arriere 308

Messagede titou » Sam 15 Fév 14 18:52

Est-ce que sur le commodo on ne pourrait pas débrancher la commande du lave glace arriere ?
" Les voitures de F1 : si vous les trouvez faciles à conduire, c'est que vous n'allez pas assez vite " , Mika Hakkinen.
Avatar de l’utilisateur
titou
308 de Diamant ! :)
 
Messages: 8837
Inscription: Sam 22 Sep 12 18:45
Localisation: ALBI (81)
Peugeot 308: HDi 1,6L 110/112 ch

Re: Debrancher gicleur arriere 308

Messagede Clems13 » Sam 15 Fév 14 18:57

Non, c'est pas possible...
Vive le multiplexage !
308 SW Confort Pack - Blanc Banquise - Clim Auto - Pack Visibilité 1 & 2 - Pack Ambiance - Pack Rangement
Avatar de l’utilisateur
Clems13
308 de Diamant ! :)
 
Messages: 3629
Inscription: Mer 02 Nov 11 20:43
Localisation: Perdu entre la Bresse et le Morvan...
Peugeot 308: HDi 1,6L 90/92 ch

Re: Debrancher gicleur arriere 308

Messagede dc8 » Sam 15 Fév 14 19:34

Clems13 a écrit:Je n'ai pas compris ton schema dc8...
Il y a 2 tuyaux de brancher sur la pompe, 2 fils et c'est tout. Il y a un tuyau qui par vers le pare brise et l'autre va à l'arrière.



2 sorties pompe une pour le pare brise av l'autre ar sans xénon si avec 3 robinets électrique il est vrai que c'est schématisé
dc8
308 de Diamant ! :)
 
Messages: 4272
Inscription: Lun 28 Mar 11 09:21
Localisation: dordogne
Peugeot 308: 1,2L PURETECH 130 ch
    Voir la position géographique du membre

Re: Debrancher gicleur arriere 308

Messagede LAOZ » Mar 18 Fév 14 09:09

Ca voudrait dire que tu peux pas choisir ou tu envois le lave glace ? C'est AV et AR mais pas AV ou AR ??
Si ça marche comme dit CLEMS13, avec le changement de sens de la pompe pour l'AV et pour l'AR, il suffirait de mettre une diode en série sur la pompe pour qu'elle ne tourne plus que dans un sens...
Je fais de la reprog PSA depuis 2002.
Je ne réponds pas aux messages privés, posez vos questions sur un post du forum, cela profite à tous, merci.
Avatar de l’utilisateur
LAOZ
308 Addicted
 
Messages: 83
Inscription: Mer 25 Déc 13 10:58
Localisation: 63000
Peugeot 308: HDi 2,0L 163 ch

Re: Debrancher gicleur arriere 308

Messagede dolby » Mar 18 Fév 14 15:37

c'est comme sur les 307
une pompe avec 2 sorties:
dans un sens, c'est pour le pare brise
dans l'autre pour la lunette arriere
selon la commande que tu as utilisé
dolby
308 d'Or
 
Messages: 815
Inscription: Mar 23 Oct 12 21:04
Peugeot 308: 1,2L PURETECH 110 ch

Re: Debrancher gicleur arriere 308

Messagede yov » Mer 19 Fév 14 11:21

Une question: si tu bouche le tuyau qui amène l'eau à l'arrière, ça pourrait marche nan ?
La surplus de pression va aller dans le gicleur à l'avant...
(à en croire le schéma de dc8 (merci)) :blub:
Avatar de l’utilisateur
yov
308 d'Or
 
Messages: 638
Inscription: Jeu 14 Juil 11 16:15
Peugeot 308: HDi 2,0L 150 ch

Re: Debrancher gicleur arriere 308

Messagede yov » Mer 19 Fév 14 13:57

Christo a écrit:Il n'y a pas un risque de faire griller le moteur?


En effet... :ghee:
Sur les anciens gicleurs (205,306 etc), ça pouvait arriver qu'ils soient bouchés et il fallait les déboucher avec une aiguille.
A l'époque javais jamais grillé de moteur mais bon, la pompe était peut-être plus costaud. ;-)
Avatar de l’utilisateur
yov
308 d'Or
 
Messages: 638
Inscription: Jeu 14 Juil 11 16:15
Peugeot 308: HDi 2,0L 150 ch

Re: Re : Debrancher gicleur arriere 308

Messagede Clems13 » Mer 19 Fév 14 15:15

yov a écrit:Une question: si tu bouche le tuyau qui amène l'eau à l'arrière, ça pourrait marche nan ?
La surplus de pression va aller dans le gicleur à l'avant...
(à en croire le schéma de dc8 (merci)) :blub:

Pas du tout, ce sont 2 tuyaux séparés.
308 SW Confort Pack - Blanc Banquise - Clim Auto - Pack Visibilité 1 & 2 - Pack Ambiance - Pack Rangement
Avatar de l’utilisateur
Clems13
308 de Diamant ! :)
 
Messages: 3629
Inscription: Mer 02 Nov 11 20:43
Localisation: Perdu entre la Bresse et le Morvan...
Peugeot 308: HDi 1,6L 90/92 ch

Re: Debrancher gicleur arriere 308

Messagede yannou25 » Mer 19 Fév 14 16:08

A part le débrancher à la sortie du bocal et boucher la sortie je voie pas
Si tu freine t'es un lâche....
Si tu freine pas t'es un con !!!
Avatar de l’utilisateur
yannou25
308 de Diamant ! :)
 
Messages: 12771
Inscription: Ven 17 Déc 10 18:21
Localisation: Besancon
Peugeot 308: HDi 1,6L 110/112 ch

Re: Debrancher gicleur arriere 308

Messagede dolby » Jeu 20 Fév 14 22:12

ben reparer le comodo :)

si tu trouves un com2000 d'occaz meme incompatible, suffit d'echanger la manette.
voir ça se trouve, en demontant, tu verras ce qui cloche.
dolby
308 d'Or
 
Messages: 815
Inscription: Mar 23 Oct 12 21:04
Peugeot 308: 1,2L PURETECH 110 ch

Re: Debrancher gicleur arriere 308

Messagede dc8 » Ven 21 Fév 14 09:02

bonjour rectif sur le schéma il faut inverser sortie av et ar et bien sur tjr 3 robinets soléno si xénon
dc8
308 de Diamant ! :)
 
Messages: 4272
Inscription: Lun 28 Mar 11 09:21
Localisation: dordogne
Peugeot 308: 1,2L PURETECH 130 ch
    Voir la position géographique du membre

Re: Debrancher gicleur arriere 308

Messagede Clems13 » Ven 21 Fév 14 11:04

Je n'ai pas compris ton histoire de robinet...
Si xenons, 2 pompes. Une pour les phares et l'autre (à double sorties) pour le pare brise avant et lunette arrière.
Si pas de xenons, 1 pompe à double sorties.

C'est comme ca :
Sans titre.png
Sans titre.png (29.34 Kio) Vu 8853 fois


La pompe pour le xenon est plus grosse et a un debit plus important.
308 SW Confort Pack - Blanc Banquise - Clim Auto - Pack Visibilité 1 & 2 - Pack Ambiance - Pack Rangement
Avatar de l’utilisateur
Clems13
308 de Diamant ! :)
 
Messages: 3629
Inscription: Mer 02 Nov 11 20:43
Localisation: Perdu entre la Bresse et le Morvan...
Peugeot 308: HDi 1,6L 90/92 ch

Re: Debrancher gicleur arriere 308

Messagede dc8 » Sam 22 Fév 14 12:06

[quote="Clems13"]Je n'ai pas compris ton histoire de robinet...
Si xenons, 2 pompes. Une pour les phares et l'autre (à double sorties) pour le pare brise avant et lunette arrière.
Si pas de xenons, 1 pompe à double sorties.


bonjour je suis allé trainer sous la voiture pour autre chose donc l'occasion de regarder le systéme LG avec xénon , une seule pompe à 2 sorties pour les 3 servitudes et 3 robinets électrique ( soléno ) d'isolation donc 1 par circuit qui s'ouvrent suivant la demande de zone de lavage les gicleurs de phares sont bcp plus gros et son circuit est piqué sur celui du PB puisque travaille avec lui
dc8
308 de Diamant ! :)
 
Messages: 4272
Inscription: Lun 28 Mar 11 09:21
Localisation: dordogne
Peugeot 308: 1,2L PURETECH 130 ch
    Voir la position géographique du membre

Re: Debrancher gicleur arriere 308

Messagede Clems13 » Sam 22 Fév 14 12:39

Sur que non. Je vais te trouver les schemas électriques. Je n'ai jamais vu de robinet sur un systeme de lave glace.
D'ailleurs, le bocal quand tu as les xenons est différent pour mettre la deuxieme pompe.
308 SW Confort Pack - Blanc Banquise - Clim Auto - Pack Visibilité 1 & 2 - Pack Ambiance - Pack Rangement
Avatar de l’utilisateur
Clems13
308 de Diamant ! :)
 
Messages: 3629
Inscription: Mer 02 Nov 11 20:43
Localisation: Perdu entre la Bresse et le Morvan...
Peugeot 308: HDi 1,6L 90/92 ch

Re: Debrancher gicleur arriere 308

Messagede yannou25 » Sam 22 Fév 14 12:42

J'avais démonté un gicleur de lave phares sur une TT. Le tuyau était juste énorme comparé à ceux du pare brise et il y avait deux pompes sur le bocal. Et obliger d'avoir deux pompes je pense car les laves phares s'enclenche quand tu utilise en même temps ceux du pare brise
Si tu freine t'es un lâche....
Si tu freine pas t'es un con !!!
Avatar de l’utilisateur
yannou25
308 de Diamant ! :)
 
Messages: 12771
Inscription: Ven 17 Déc 10 18:21
Localisation: Besancon
Peugeot 308: HDi 1,6L 110/112 ch

Re: Debrancher gicleur arriere 308

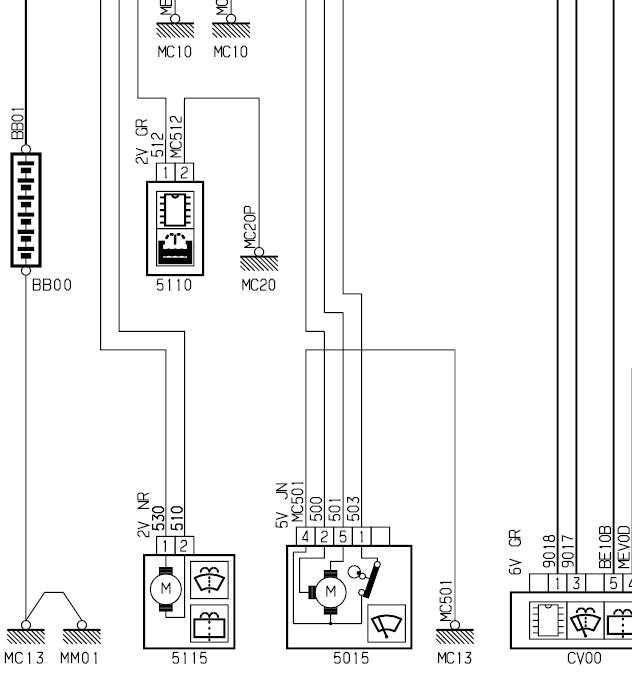
Messagede Clems13 » Sam 22 Fév 14 12:59

LV1.JPG


LV2.JPG


LV3.JPG


LV4.JPG


LV5.JPG
LV5.JPG (48.39 Kio) Vu 8760 fois


5115 : Pompe de lave glace AV et AR.
5405 : Pompe de lave phares.
Aucune trace de robinet. On voit bien les 2 pompes et le capteur de niveau sur la 1ere vu.
308 SW Confort Pack - Blanc Banquise - Clim Auto - Pack Visibilité 1 & 2 - Pack Ambiance - Pack Rangement
Avatar de l’utilisateur
Clems13
308 de Diamant ! :)
 
Messages: 3629
Inscription: Mer 02 Nov 11 20:43
Localisation: Perdu entre la Bresse et le Morvan...
Peugeot 308: HDi 1,6L 90/92 ch

Re: Debrancher gicleur arriere 308

Publicité

Pub
 

Re: Debrancher gicleur arriere 308

Messagede dc8 » Sam 22 Fév 14 13:14

désolé les amis c'est ce que j'ai sur la mienne de 2010
dc8
308 de Diamant ! :)
 
Messages: 4272
Inscription: Lun 28 Mar 11 09:21
Localisation: dordogne
Peugeot 308: 1,2L PURETECH 130 ch
    Voir la position géographique du membre


Retourner vers Moteur & Mécanique

Qui est en ligne

Utilisateurs parcourant ce forum: Aucun utilisateur enregistré et 2 invités

cron