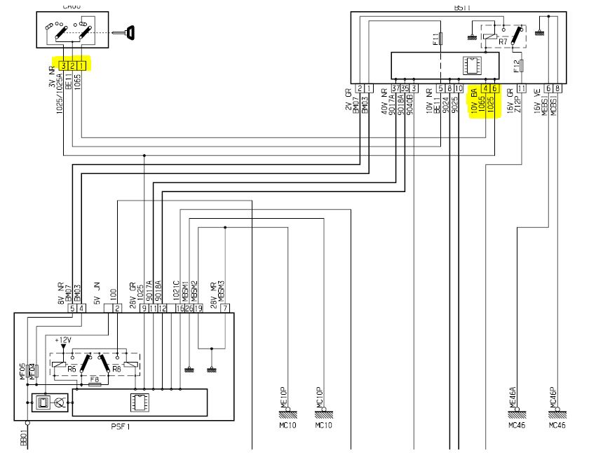
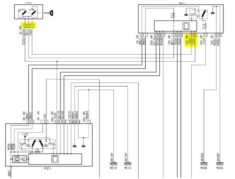
|

Christo a écrit:Au risque de passer pour un vieux con, je n'ai toujours pas compris l'utilité de ce bouton

danfr a écrit:Christo a écrit:Au risque de passer pour un vieux con, je n'ai toujours pas compris l'utilité de ce bouton
+1 sans doute vieux con également
), mais je dois être con aussi !




ou alors tout léger 



titou a écrit:@ Clement : s'il était d'albi, il avait pas d'accentou alors tout léger





Retourner vers Electricité & Electronique
Utilisateurs parcourant ce forum: Aucun utilisateur enregistré et 2 invités