Une nouvelle "titine" c'est bien, mais une alarme ne peut que devenir indispensable pour prévenir des risques à venir.
J'ai trouvé un fabricant très connu, encore que le lien existe déjà sur le "fofo" qui propose une alarme de base configurable à souhait.
http://frabalt.com/traceur-antivol-gps/ ... 845dc.html
Toutes les options de configurations sont possibles sur le modèle de base dont le tarif évolue suivant les besoins personnels,
il suffit de lui rajouter les accessoires utiles en fonction de l'environnement du véhicule.
Le modèle citée sur le lien procure une protection efficace, tout en étant assez complet dans un premier temps, rien n'empêche
plus tard de le faire évoluer en lui adjoignant autre chose pour le compléter.
Actuellement en promotion à 242.00€, abordable pour la sécurité apportée.
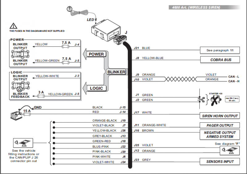
Un système simple à brancher sur la 308 par le CAN BUS qui fonctionne avec la télécommande d'origine., deux cartes anti car jacking
et le suivi GPS par traceur qui offre un réel confort en étant averti de l'effraction tout en pouvant suivre le déplacement de la 308.
L'application gratuite smartphone fonctionne sur iPhone et Android, nécessité d'avoir une carte sim fonctionnelle, chez Free à 3.00€/mois ou
carte sim B&You de recharge sans limite de temps, à vérifier les dires du site vendeur.
Si le bouton poussoir "alarme" peut être rajouté sur la petite console de la 308 et faire fonctionner le voyant en symbiose, ce serait parfait ?
Meilleures salutations







tu peux toujours lui demander confirmation par mp