TUE-DAB1U (Alpine)

Autoradio, Auditorium, Vidéo, GPS, Console de jeu, Ordinateur de bord...

TUE-DAB1U (Alpine)

Messagede Bricoman » Lun 21 Avr 14 13:31

Bonjour à tous,

Alpine propose en option un tuner DAB/DAB+ qui devrait pouvoir s'installer sur différents autoradios du commerce, à vérifier. :D
La connectique demande juste une entrée A/V sur le poste à câbler, très courante sur les 2-DIN des constructeurs. :super:
Appareil qui pourra être démonté le jour où le poste est vendu ou remplacé par un modèle supérieur.
L'antenne active KAE-220DA est en supplément à l'achat, elle reste indispensable pour en profiter pleinement dans la 308,
il faudra la poser (coller) à la verticale pour respecter la polarisation du signal reçu.
Cette norme audio numérique est encore assez peu répandue sur l'hexagone, mais certains pays comme la Suisse l'ont,
une qualité sonore de haute qualité sur son poste pour le plus grand plaisir. :pompom:

51HAz5488eL._SL1100_.jpg
Le TUE-DAB1E
51HAz5488eL._SL1100_.jpg (27.14 Kio) Vu 6280 fois

productpic_TUE-DAB1U_02.jpg
Télécommande + câblage
productpic_TUE-DAB1U_02.jpg (43.8 Kio) Vu 6277 fois

41mV+dSNHqL._SL1024_.jpg
L'antenne active recommandée
41mV+dSNHqL._SL1024_.jpg (20 Kio) Vu 6280 fois

KAE-220DA.PNG
KAE-220DA.PNG (50.17 Kio) Vu 6257 fois

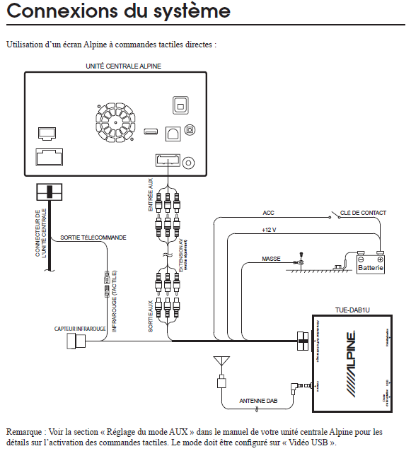
DAB.PNG
Le câblage très simple
DAB.PNG (46.45 Kio) Vu 6280 fois



Meilleures salutations
Dernière édition par Bricoman le Lun 21 Avr 14 15:45, édité 1 fois.
Bricoman
308 de Diamant ! :)
 
Messages: 4314
Inscription: Jeu 19 Avr 12 16:27
Peugeot 308: HDi 1,6L 110/112 ch
    Voir la position géographique du membre

TUE-DAB1U (Alpine)

Publicité

Publicité
 

Re: TUE-DAB1U (Alpine)

Messagede Bricoman » Lun 21 Avr 14 14:05

Christo a écrit:Le DAB est génial :super: J'ai installé un poste Pioneer qui en est équipé sur la Panda de mon fils et la qualité est incroyable.

Bonjour à tous,

Tu as beaucoup de chance Christo d'avoir accès au DAB+, en France pas avant le 20/06/2014 et pas à Lyon. :pleur4:
L'appareil est de petite taille en 115x95x25, de quoi le dissimuler dans la boîte à gants où se trouve la prise A/V nécessaire. :super:
Au besoin, juste à débrancher la sortie A/V de la dashcam et brancher la sortie du TUE-DAB1U pour en profiter. :]
Le mois de Juin arrive, peut-être le cadeau qui ira dans la 308 une fois de plus à l'abri des regards indiscrets. :?:
http://www.globalfm.ch/site/index.php?o ... &Itemid=76

Meilleures salutations
Bricoman
308 de Diamant ! :)
 
Messages: 4314
Inscription: Jeu 19 Avr 12 16:27
Peugeot 308: HDi 1,6L 110/112 ch
    Voir la position géographique du membre

Re: TUE-DAB1U (Alpine)

Messagede Poulpy68 » Mer 11 Juin 14 13:20

Bonjour a tous,

J'ai eu l'occasion de monter ce boitier (Que j'ai attrapé en Allemagne, je suis frontalier (Alsace)). Je l'avais vite monté dans ma voiture, au démarrage juste une image 'Dab+' puis plus rien.

J'ai vite démonté le boitier et essayer a la maison, il fonctionnait très bien a un petit soucis près, en dessous de 14.3 v, pas d'image !!!!!

Je sais pas si cela est du au fait qu'Alpine aurait 'foiré' son étage d'alimentation car ce boitier accepte de 12 au 24 volts ou si c'est ce boitier la qui a un soucis.

Je vais donner le boitier a un copain electronicien pour voire si on peux faire quelque chose.

Par contre pour la partie son, c'est du propre, ayant un écran couleur, et étant frontalier avec l'allemagne et la suisse, j'ai pu profiter de leur stations. Avec l'affichage des pochettes d'albums, certaines stations affichait la météo. On cherche plus des fréquences mais on a une liste de station. C'est vraiment bete que comme d'habitude en france on soit a la bourre dans ce genre d'innovation.
Poulpy68
Curieux
 
Messages: 5
Inscription: Mer 11 Juin 14 13:02

Re: TUE-DAB1U (Alpine)

Messagede Poulpy68 » Mer 11 Juin 14 14:30

Oui désolé pour l'entrée en matière un peu brutale, je suis peugiste mais 306 :) vais quand même me présenter.

Petit retour, fin de l'année derniere je m'étais renseigné apparement Alpine france ne voulait pas vendre ce boitier en France, je sais pas si ils ont changé d'avis depuis. C'était pour cela que je me suis procuré le boitier en Allemagne.
Poulpy68
Curieux
 
Messages: 5
Inscription: Mer 11 Juin 14 13:02

Re: TUE-DAB1U (Alpine)

Messagede Bricoman » Mer 11 Juin 14 17:27

Bonjour à tous,

Un bonne appareil performant qui comme d'habitude n'est pas vendu en France, Alpine ne fait pas son boulot. :nono:
A croire qu'ils font tout pour que les clients éventuels fuient leurs matériels, ils n'iront pas se plaindre après le SAV France nulle à chier. :erk:
Bien de nous tenir au courant de l'utilisation de cet accessoire très utile aux pays frontaliers, pour moi Alpine c'est terminé ! :D
Les HP iront quand même dans la belle rouge car ils ont du résultat, Christo les a entendu, du moins les tweeters. :super:

Meilleures salutations
Bricoman
308 de Diamant ! :)
 
Messages: 4314
Inscription: Jeu 19 Avr 12 16:27
Peugeot 308: HDi 1,6L 110/112 ch
    Voir la position géographique du membre

Re: TUE-DAB1U (Alpine)

Messagede Poulpy68 » Mer 11 Juin 14 20:03

Alpine m'a proposé de monter ceci :

http://www.alpine-electronics.fr/p/Prod ... 42/ezi-dab

J'ai raté de peu de les insulter, donc pour info voila mon équippement :

le poste un iva d800R : http://www.alpine-electronics.fr/p/Prod ... /iva-d800r

Donc il me propose d'oublier mon écran 7 pouces pour rajouter une télécommande sur le tableau de bord, alors qu'avec l'autre boitier, je commande directement depuis l'écran tactile.

Un kit bluetooth KCE 400 BT, un Gps Alpine (Nve M300p), un proc son (Imprint Pxa H100) qui sera bientot remplacé par son grand frère Pxa H800.

En haut parleur un kit éclaté Focal a l'avant, un kit éclaté Alpine a l'arrière et un Sub Focal motorisé par un ampli Alpine pdx.

Perso je reste chez Alpine, j'aime leur produit. J'ai encore deux écrans appuie tete a intégrer et un autre ampli Alpine Pdx qui traine a la maison.

Mais c'était juste pour prévenir. J'aime une bonne partie de ma famille qui roule en Peugeot et suite a des essais et a une confirmation par une copine qui s'occupe du rayon autoradio d'un centre auto, les commandes au volant Pioneer marche pas aussi bien que les Alpine.

Bon après c'est un choix personnel. La seule chose sur c'est que l'état devrait favoriser le developement de la radio numérique. Ca fait longtemps que j'écoute plus la radio a cause de la qualité donc je réécouterais enfin la radio. Enfin quand j'aurais règler ce probleme d'alimentation je pourrais deja profiter des radios allemandes et suisses. C'est magique, c'est pareil que quand on est passé de la cassette audio au CD, une révolution.
Poulpy68
Curieux
 
Messages: 5
Inscription: Mer 11 Juin 14 13:02

Re: TUE-DAB1U (Alpine)

Messagede Bricoman » Jeu 12 Juin 14 06:19

Bonjour à tous,

J'ai dit Alpine "terminus", mais ils ont un panel de matériels performants qui intéresse toujours, souvent un choix est fait sur une marque.
Alpine ne fait rien pour mettre en avant ses excellents produits, mais ils fonctionnent bien une fois câblés, le système complet W910R est au top. :ghee:
Je devais le sortir ce week-end, je vais attendre celui-là, j'ai du mal à m'en séparer tellement il fonctionne comme voulu. :D
Le PXA-H100 réglé à l'aide du micro KTX-H100 donne un son redoutable de part les courbes qu'il sort une fois le paramétrage effectué. :super:
Certains vendeurs de matériels car audio m'ont toujours avancé que le Pioneer était supérieur, à écouter l'Alpine, je suis très content.
Le PXA-H800 a un "topic" dédié, mais le gars qui devait nous faire des retours n'a rien fait du tout, encore un qui parle beaucoup et qui ne fait rien. :nono:
Une bête de course pour qui sait le paramétrer à sa juste valeur, il est très complet en connectiques et réglages, il sait tout faire. :ghee:
Dans la belle rouge, les SPR-60C seront posés à l'avant comme les petits frères SPR-30 à l'arrière pour une certaine homogénéité audio.

Meilleures salutations
Bricoman
308 de Diamant ! :)
 
Messages: 4314
Inscription: Jeu 19 Avr 12 16:27
Peugeot 308: HDi 1,6L 110/112 ch
    Voir la position géographique du membre

Re: TUE-DAB1U (Alpine)

Messagede Poulpy68 » Jeu 12 Juin 14 18:59

Tu as un kit Spr 60C ? Tu en pense quoi ? Je me 'tate' depuis un moment pour remplacer mon kit éclaté Focal a l'avant par celui ci.

Le reglage du pxa h100 avec le micro, j'ai pas trouvé terrible, ca c'est fini a la main. Mais le décalage temporel une fois que tu y a gouté, c'est dur de s'en passé.
Quand tu prends une autre voiture, tu te demande ce qu'il se passe pourquoi le son est si décalé :) C'est une chose dont je pourrais plus me passer.

J'ai hate de pouvoir attraper un H800, écouté un live dans la voiture en 5.1.
Poulpy68
Curieux
 
Messages: 5
Inscription: Mer 11 Juin 14 13:02

Re: TUE-DAB1U (Alpine)

Publicité

Pub
 

Re: TUE-DAB1U (Alpine)

Messagede Bricoman » Sam 14 Juin 14 06:34

Bonjour à tous,

Les SPR-60C n'ont pas été posés en entier, juste les tweeter qui sonnent parfaitement une fois ajustés, réglés sur -6db. :D
Je vais poser le kit complet à l'avant dans le nouveau véhicule, comme celui de l'arrière en SPR-30 coaxial, les portières seront
préparées à l'aide de feuilles Xtreme amincies pour une audio homogène, le résultat sera excellent sans aucun doute avec le RT6. :ghee:
Peut-être qu'un bon amplificateur 4 ou 5 voies ira par la suite parfaire cet ensemble Alpine déjà performant, sans tomber dans l'extrème.
Le KTP-445U est recommandé pour faire chanter correctement ces deux modèles de HP issus de la même gamme "R".
Sans penser à poser un petit caisson de basses, ce petit amplificateur est parfait de par sa connectiques, réglages et encombrement.
Les SPR-60C/SPR-30 donnent des basses profondes, un médium présent, l'utilité du caisson est inutile, donc il n'y en a pas besoin.

Il reste les modèles SPX-13 Pro/SPX-17 Pro spécialement fait pour un système audiophile en 130mm et 160mm, mais le tarif est justifié. :nono:
http://www.crutchfield.com/S-IFTc78E9JI ... 17PRO.html
J'aimerai bien écouter un système équipé de ces HP accompagné d'un amplificateur adapté, de quoi craquer son slip. :|

Le réglage au micro du PXA-H100 centré sur le siège conducteur a donné une courbe de qualité, l'audio s'en est trouvé différente
du fait que l'oreille n'est pas habituée à ces nouveaux sons calibrés, pourtant optimisés.
Personnellement, j'apprécie cette audio juste comme la compensation temporelle qui est indispensable à une écoute de qualité. :super:

L'avantage du PXA-H800, contrairement au PXA-H100 est qu'il fonctionne avec n'importe quelle source audio, le PXA-H100 a besoin d'une sortie numérique.
Du matériel haut de gamme qui doit une fois optimisé, accouplé à d'autres accessoires, doit rendre une automobile audiophile digne de ce nom. :ange:

Meilleures salutations
Bricoman
308 de Diamant ! :)
 
Messages: 4314
Inscription: Jeu 19 Avr 12 16:27
Peugeot 308: HDi 1,6L 110/112 ch
    Voir la position géographique du membre


Retourner vers Audio & Multimedia

Qui est en ligne

Utilisateurs parcourant ce forum: Aucun utilisateur enregistré et 2 invités

cron