SPX-13PRO/SPX-17PRO (Alpine)

Autoradio, Auditorium, Vidéo, GPS, Console de jeu, Ordinateur de bord...

SPX-13PRO/SPX-17PRO (Alpine)

Messagede Bricoman » Jeu 31 Juil 14 18:13

Bonjour à tous,

Présentation des HP Alpine SPX-17PRO, un kit éclaté haut de gamme qui de part ses éléments de fabrication peut se prétendre "Audiophile". :D
http://www.alpine-electronics.fr/p/Prod ... /spx-17pro
http://www.crutchfield.com/S-9Sm8t4Nsmn ... 17PRO.html
Pour sûr que la concurrence est sévère, qu'il y a bien mieux, loin de moi l'idée de mettre en avant tel ou tel modèle de tel fabriquant.
Des composants de qualité supérieure, un HP moulé en aluminium, contact plaqué or, tweeter de conception particulière, filtres réglables robuste,
réglages du niveau des aigus et correcteur de phase (optimisation du décalage temps des HP/Tweeters). :super:
Un kit qui, associé à un petit amplificateur DSP de 4x100w RMS donnera un résultat excellent de qualité audiophile. :ghee:
Au niveau tarif, une fois de plus un prix qui fait mal, mais justifié pour un tel produit : 489.00€ pour le SPX-17PRO :nono:

spx.PNG

productpic_SPX17PRO_01.jpg

x500SPX17PR-o.jpeg
x500SPX17PR-o.jpeg (16.89 Kio) Vu 5738 fois

ลำโพงติดรถยนต์ ALPINE SPX-17PRO [3].jpg
ลำโพงติดรถยนต์ ALPINE SPX-17PRO [3].jpg (31.27 Kio) Vu 5738 fois

x500SPX17PR-o_tweeters.jpeg
x500SPX17PR-o_tweeters.jpeg (15.96 Kio) Vu 5738 fois

x500SPX13PR-o_co.jpeg
x500SPX13PR-o_co.jpeg (12.71 Kio) Vu 5738 fois

x500CSPSPX-T_PROWoof.jpeg
x500CSPSPX-T_PROWoof.jpeg (35.37 Kio) Vu 5738 fois

x500CSPSPX-T_PROTweet.jpeg
x500CSPSPX-T_PROTweet.jpeg (25.74 Kio) Vu 5738 fois

regsxp.PNG
regsxp.PNG (57.14 Kio) Vu 5738 fois

spxreg.PNG
spxreg.PNG (25.77 Kio) Vu 5738 fois

SPX_Crossover_02.jpg
SPX_Crossover_02.jpg (226.35 Kio) Vu 5738 fois

reglasp.PNG
reglasp.PNG (51.66 Kio) Vu 5738 fois

sch.PNG
sch.PNG (26.59 Kio) Vu 5738 fois

spe.PNG
spe.PNG (50.05 Kio) Vu 5738 fois

Meilleures salutations
Bricoman
308 de Diamant ! :)
 
Messages: 4314
Inscription: Jeu 19 Avr 12 16:27
Peugeot 308: HDi 1,6L 110/112 ch
    Voir la position géographique du membre

SPX-13PRO/SPX-17PRO (Alpine)

Publicité

Publicité
 

Re: SPX-13PRO/SPX-17PRO (Alpine)

Messagede forest » Jeu 31 Juil 14 22:13

Sympa, un spectre un petit peu plus large, plus de puissance mais un peu moins de rendement que les miens
Sympa de comparer ce que chacun font (puissance, rendement...)
Ceux-là piquent un peu niveau tarif quand même...

Ils t'interesseraient ?
"Le savoir ne vaut que s'il est partagé par tous"
Féline 5P,110ch,Noire Perla Nera+WIPCom3D+Alarme SuperV+RadarsAV/AR+Xénon
Conso@5,28l (122 222)
Avatar de l’utilisateur
forest
308 de Diamant ! :)
 
Messages: 15645
Inscription: Mar 08 Sep 09 10:22
Localisation: Seine-et-Marne, Ile-De-France
Peugeot 308: HDi 1,6L 110/112 ch

Re: SPX-13PRO/SPX-17PRO (Alpine)

Messagede eddie67 » Jeu 31 Juil 14 23:22

Ce sont des hp fait pour les ampli pdx a haut rendement de chez alpine. C'est fait exprès.
Mercedes Classe C 350cdi w204 3.0 v6 231cv avantgarde full options
Ex BMW 120d coupé 177cv LUXE 2010
Avatar de l’utilisateur
eddie67
308 d'Or
 
Messages: 692
Inscription: Jeu 30 Déc 10 22:30

Re: SPX-13PRO/SPX-17PRO (Alpine)

Messagede eddie67 » Ven 01 Aoû 14 11:32

C'est sur qu'un ktp 445 c'est bien pour des petites enceintes a 80€ mais des qu'on dépasse les 50wrms le ktp ne suis plus. On atteind vite les limites. Des focal polyglass 165 vr par exemple (60wrms) chantent pas terrible sur le ktp.

Le type d'ampli n'a rien avoir la dedans, il faut juste un ampli de puissance supérieur ou égale à celle des hp. Ce n'est pas parcequ'un ampli est plugNplay qu'il sera moin puissant. PlugNplay veut dire branchement facil et non pas moin de puissance. Pareil pour les amplis analogique, un pro n'utilisera jamais un ampli numérique du fait de la qualité audio inférieur à un ampli analogique.
Mercedes Classe C 350cdi w204 3.0 v6 231cv avantgarde full options
Ex BMW 120d coupé 177cv LUXE 2010
Avatar de l’utilisateur
eddie67
308 d'Or
 
Messages: 692
Inscription: Jeu 30 Déc 10 22:30

Re: SPX-13PRO/SPX-17PRO (Alpine)

Messagede jose308 » Ven 01 Aoû 14 11:38

Complètement d'accord avec eddie
Plus qu'un forum avant tout une famille
Avatar de l’utilisateur
jose308
308 de Diamant ! :)
 
Messages: 2894
Inscription: Mar 23 Oct 12 22:14
Localisation: survilliers
Peugeot 308: HDi 1,6L 110/112 ch
    Voir la position géographique du membre

Re: SPX-13PRO/SPX-17PRO (Alpine)

Messagede Bricoman » Ven 01 Aoû 14 15:39

Bonjour à tous,

Un kit éclaté sur lequel un amplificateur de 4x100w RMS sera le compagnon idéal. :D
Celui de chez Mosconi au DSP inclus déjà cité serait parfait pour les faire chanter. :super:
Le petit KTP-445 ira pour booster les HP d'origine de la 308 derrière le RT6. :ghee:
N'oublions pas que la 308 enferme ses HP dans un petit saladier qui les étouffe. :nono:

Meilleures salutations
Bricoman
308 de Diamant ! :)
 
Messages: 4314
Inscription: Jeu 19 Avr 12 16:27
Peugeot 308: HDi 1,6L 110/112 ch
    Voir la position géographique du membre

Re: SPX-13PRO/SPX-17PRO (Alpine)

Messagede eddie67 » Ven 01 Aoû 14 23:36

Oui le mosconi et vraiment pas mal sur le papier et même le prix reste très correct pour ce que c'est. Par contre ça a l'air quand même compliqué a réglé. Déjà avec 4 molettes des fois on a du mal car certaine fréquence ne corresponde pas a ce qu'il y as écrit (verifier par un ami par réglage à l'oscillo) donc c'est assez contraignant.

Exact pour le saladier. Il vaut mieu fabriquer une calle en mdf mais attention car il n'y as pas beaucoup de place entre la membrane du woofer et le panneau de portes c'est vraiment embêtant. Je dirai a vu d'oeil qu'il y a un peut plus de 20mm entre la portière et la membrane du woofer. Ça fait limite si on met une cale de 17 ou 19 mm
Mercedes Classe C 350cdi w204 3.0 v6 231cv avantgarde full options
Ex BMW 120d coupé 177cv LUXE 2010
Avatar de l’utilisateur
eddie67
308 d'Or
 
Messages: 692
Inscription: Jeu 30 Déc 10 22:30

Re: SPX-13PRO/SPX-17PRO (Alpine)

Messagede Bricoman » Sam 02 Aoû 14 06:57

eddie67 a écrit:Oui le mosconi et vraiment pas mal sur le papier et même le prix reste très correct pour ce que c'est. Par contre ça a l'air quand même compliqué a réglé. Déjà avec 4 molettes des fois on a du mal car certaine fréquence ne corresponde pas a ce qu'il y as écrit (verifier par un ami par réglage à l'oscillo) donc c'est assez contraignant.

Exact pour le saladier. Il vaut mieu fabriquer une calle en mdf mais attention car il n'y as pas beaucoup de place entre la membrane du woofer et le panneau de portes c'est vraiment embêtant. Je dirai a vu d'oeil qu'il y a un peut plus de 20mm entre la portière et la membrane du woofer. Ça fait limite si on met une cale de 17 ou 19 mm

Bonjour à tous,

Déjà, rien que les saladiers retirés des portières, l'audio du véhicule serait nettement mieux, même avec les HP d'origine. :D
Le Mosconi à l'avantage d'être très compact, il est vraiment petit d'où l'avantage de pouvoir le cacher facilement.
Le DSP est très important pour optimiser l'acoustique, à réserver aux connaisseurs qui savent le faire, pas grand monde. 8|
Je préférerai un processeur audio du type Alpine qui sait calculer tout seul à l'aide du micro ses courbes, au moins là le réglage est correct. :ghee:
Un amplificateur sans DSP dans ce cas est suffisant, le processeur fera le reste à merveille.
J'ai lu des commentaires sur la toile en ce sens, les personnes sont très contentes du résultat en tout Alpine.
Après, chacun pose le matériel qu'il veut dans sa voiture, du Focal pour notre ami à tous José.

Meilleures salutations
Bricoman
308 de Diamant ! :)
 
Messages: 4314
Inscription: Jeu 19 Avr 12 16:27
Peugeot 308: HDi 1,6L 110/112 ch
    Voir la position géographique du membre

Re: SPX-13PRO/SPX-17PRO (Alpine)

Messagede jose308 » Sam 02 Aoû 14 15:07

Moi j'avou que j'arrive pas a décollé de la marque focal après je ne suis pas borné je sais reconnaître du bont matos et je dit que tout ça est une question d'oreilles
Plus qu'un forum avant tout une famille
Avatar de l’utilisateur
jose308
308 de Diamant ! :)
 
Messages: 2894
Inscription: Mar 23 Oct 12 22:14
Localisation: survilliers
Peugeot 308: HDi 1,6L 110/112 ch
    Voir la position géographique du membre

Re: SPX-13PRO/SPX-17PRO (Alpine)

Messagede forest » Sam 02 Aoû 14 15:14

Moi j'avoue bien aimer les Inifinity, en sachant qu'ils sont un peu aigus ... 2 fois les mêmes HP dans mes voitures.
Peut-être des histoires d'oreille...

Dans les HP du topic, ce qui est bien pensé, ce sont les petits 'bouts' pour afiner les réglages de distance !
"Le savoir ne vaut que s'il est partagé par tous"
Féline 5P,110ch,Noire Perla Nera+WIPCom3D+Alarme SuperV+RadarsAV/AR+Xénon
Conso@5,28l (122 222)
Avatar de l’utilisateur
forest
308 de Diamant ! :)
 
Messages: 15645
Inscription: Mar 08 Sep 09 10:22
Localisation: Seine-et-Marne, Ile-De-France
Peugeot 308: HDi 1,6L 110/112 ch

Re: SPX-13PRO/SPX-17PRO (Alpine)

Publicité

Pub
 

Re: SPX-13PRO/SPX-17PRO (Alpine)

Messagede Bricoman » Sam 02 Aoû 14 19:13

forest a écrit:Moi j'avoue bien aimer les Inifinity, en sachant qu'ils sont un peu aigus ... 2 fois les mêmes HP dans mes voitures.
Peut-être des histoires d'oreille...

Dans les HP du topic, ce qui est bien pensé, ce sont les petits 'bouts' pour afiner les réglages de distance !

Bonjour à tous,

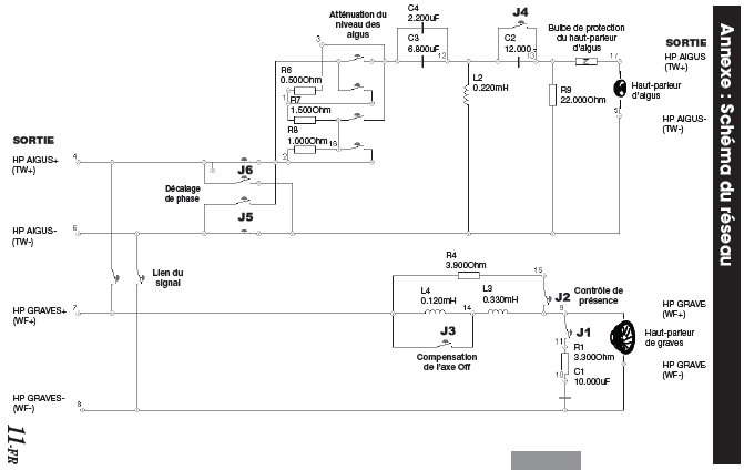
Oui, les filtres de déphasage sont bien utiles pour optimiser le HP du tweeter, bien trouvé, un plus qui doit s'entendre. :ghee:
Mais il est vrai que le tarif est élevé pour cet excellent produit Alpine qui m'intéresserait.
A voir si notre ami José peut avoir un tarif plus bas que Sebasto, en MP si possible ou ici. 8|
En septembre, je pose les autres sur la grise avec le poste, le processeur et le caisson. Je garde sous le coude l'amplificateur. :D
Les tweeters sont déjà dans la belle rouge en test RT6, rien à voir avec ceux d'origine. Ils iront dans la grise comme déjà dit.
la puissance du RT6 est limitée, mais il en a assez pour faire sonner un peu de bons HP, même au rendement faible.
J'imagine seulement les tweeters de ce kit, encore meilleurs + les HP posés, du son très clair, détaillé comme on l'aime. :ange:

Meilleures salutations
Bricoman
308 de Diamant ! :)
 
Messages: 4314
Inscription: Jeu 19 Avr 12 16:27
Peugeot 308: HDi 1,6L 110/112 ch
    Voir la position géographique du membre


Retourner vers Audio & Multimedia

Qui est en ligne

Utilisateurs parcourant ce forum: Aucun utilisateur enregistré et 2 invités

cron